张家港市诚邦减速机有限公司以生产
减速机
、
链轮
、
齿轮
为主,欢迎来电生产定制!
网站首页
|
加入收藏
|
在线咨询
|
联系我们
集设计、生产、销售服务于一体的传动机械专业化企业
产品销售与咨询热线:
0512-58151503 / 58131861
大客户经理:18006241680
网站首页
企业简介
新闻动态
企业荣誉
产品展示
客户案例
客户留言
联系我们
您所在的位置:首页 > 产品展示
产品展示
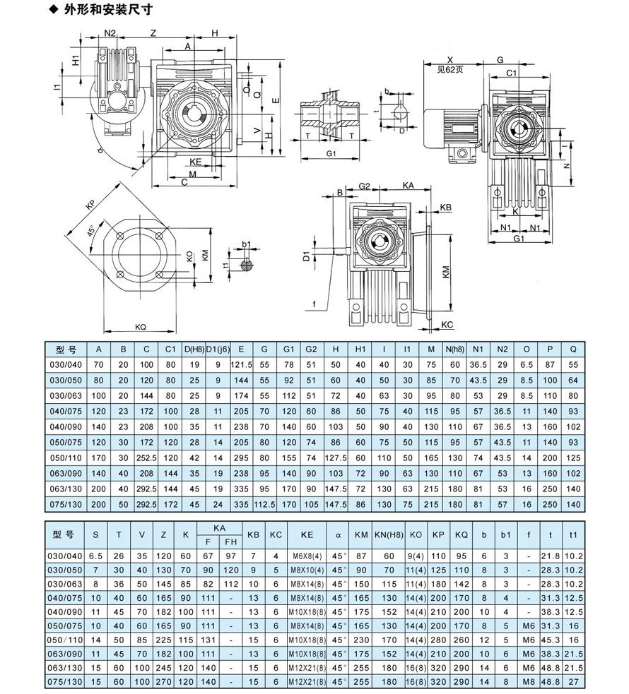
NMRV系列双级蜗轮减速机
产品分类
PRODUCT CATEGORY
B、X系列摆线针轮减速机
WB系列微型摆线针轮减速机
WP系列蜗轮减速机
SWL系列蜗轮丝杆升降机
NMRV系列蜗轮减速机
NMRV系列双级蜗轮减速机
UD系列行星锥盘无级变速器
R系列斜齿轮减速机
S系列斜齿-蜗轮蜗杆减速机
F系列平行轴斜齿轮减速机
K系列斜齿轮-螺旋锥齿轮减速机
T系列螺旋锥齿轮传动箱
FCL系列弹性套柱销联轴器
FSL系列梅花型弹性联轴器
热线:0512-58151503 58131861
传真:0512-56903601 56903611
手机:18006241680 顾经理
邮箱:gt@gtjsjx.com
网址:www.gtjsjx.com
张家港市诚邦减速机有限公司
地址:张家港市国泰北路与晨丰路路口
Copyright ©2018-2019 张家港市诚邦减速机有限公司版权所有